EXPLORE INFORMATION : AI, BITCOIN, TECHNOLOGY. Enjoy!

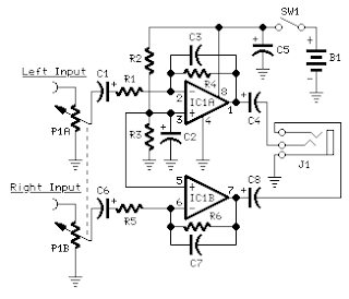
Portable Headphone Amplifier

Daftar Komponen:
P1
R1, R5
R2, R3, R4, R6
C1, C2, C6
C3, C7
C4, C5, C8
IC1
J1
SW1
B1
22 K (Potensio stereo/dual gang)
18K 1/4 watt (Resistor)
68K 1/4 watt (Resistor)
4,7uF/25V (Kapasitor elektrolit)
22pF (kapasitor keramik)
220uF/25 (kapasitor elektrolit)
NE5532 (low noise dual op-amp)
3,5 mm (Stereo jack socket)
SPST switch
Baterai 9 volt


Source: redcircuits

0 Comment: