Titik breakdown dari suatu dioda zener dapat dikontrol dengan memvariasi konsentrasi doping. Konsentrasi doping yang tinggi, akan meningkatkan jumlah pengotoran sehingga tegangan zenernya (Vz) akan kecil. Demikian juga sebaliknya, dengan konsentrasi doping yang rendah diperoleh Vz yang tinggi. Pada umumnya dioda zener dipasaran tersedia mulai dari Vz 1,8 V sampai 200 V, dengan kemampuan daya dari � hingga 50 W.
Penerapan dioda zener yang paling penting adalah sebagai regulator atau stabilizer tegangan (voltage regulator). Rangkaian dasar stabilizer tegangan menggunakan dioda zener dapat dilihat pada gambar dibawah. Agar rangkaian ini dapat berfungsi dengan baik sebagai stabilizer tegangan, maka dioda zener harus bekerja pada daerah breakdown. Yaitu dengan memberikan tegangan sumber (Vi) harus lebih besar dari tegangan dioda zener (Vz).
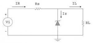
Penerapan dioda zener yang paling penting adalah sebagai regulator atau stabilizer tegangan (voltage regulator). Rangkaian dasar stabilizer tegangan menggunakan dioda zener dapat dilihat pada gambar dibawah. Agar rangkaian ini dapat berfungsi dengan baik sebagai stabilizer tegangan, maka dioda zener harus bekerja pada daerah breakdown. Yaitu dengan memberikan tegangan sumber (Vi) harus lebih besar dari tegangan dioda zener (Vz).
Rangkaian Dasar Stabilizer Dengan Dioda Zener
Pada dioda zener terdapat nilai Izm (Arus zener maksimum) yang telah ditentukan ooleh pabrik dan arus zener tidak boleh melebihi Izm tersebut, karena akan mengakibatkan kerusakan pada dioda zener. RS adalah hambatan yang berfungsi sebagai pembatas arus untuk rangkaian stabilizer tegangan. Apabila tegangan Vi lebih tinggi dari Vz dan RL lebih besar dari RL minimum maka fungsi dari stabilizer tegangan pada dioda zener dapat bekerja, oleh karena itu RL harus lebih besar dari RLmin. RLmin dapat ditentukan pada saat VL = Vz sebagai berikut
Nilai RLmin ini akan menjamin dioda zener bekerja secara konsisten. Bila zener sudah bekerja, berarti VL = Vz = konstan, dan dengan menganggap Vi tetap maka turun tegangan pada RS (VR) juga tetap, yaitu :
Sehingga arus yang mengalir pada RS dapat diketahui dengan :
Dan arus yang mengalir pada dioda zener dapat ditentukan dengan :
Arus pada dioda zener (Iz) tidak boleh melebihi nilai Izm yang telah ditentukan pabrik, untuk membatasi arus zener ini dapat mengatur nilai RS dengan rumusan diatas.






0 Comment: