Mini 5V Power Supply
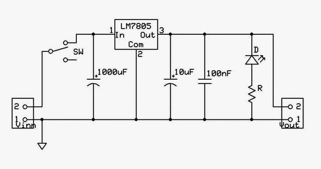
Rangkaian catu daya ini memiliki tegangan output 5 volt. Sebagai sumber tegangannya dapat dihubungkan ke baterai 12 volt atau sumber tegangan DC lain yang memiliki rentang tegangan 8 sampai 18 volt.
Komponen yang digunakan sangat sedikit sehingga dapat dirangkai seefisien mungkin. Untuk rangkaiannya seperti gambar di bawah ini.


0 Comment: