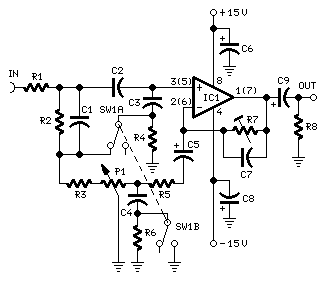
Loudness Control Otomatis
P1 10K Linear Potentiometer (Dual-gang/stereo)
R1,R6,R8 100K 1/4W Resistor
R2 27K 1/4W Resistor
R3,R5 1K 1/4W Resistor
R4 1M 1/4W Resistor
R7 20K 1/2W Trimmer Cermet
C1 100nF 63V Kapasitor
C2 47nF 63V Kapasitor
C3 470nF 63V Kapasitor
C4 15nF 63V Kapasitor
C5,C9 1�F 63V Kapasitors
C6,C8 47�F 63V Kapasitors
C7 100pF 63V Kapacitor
IC1 TL072 Dual BIFET Op-Amp
SW1 DPDT Switch (4 pole)
source: circuit-finder


0 Comment: